V6系列交流伺服电机相较KS/KJ系列电机,体积更小、防护等级提升至IP67、定制机型速度可达6500rpm、扭矩波动更低、过载能力更强等。
V6系列伺服电机提供23bit光编和17bit磁编两种编码器,新推出直插电机,客户可根据实际需要变更线缆和连接器,适应更苛刻的环境,且与引线电机外观无差异,方便结构设计。
特点:高性能、高过载、中惯量、磁编和光编多种编码器形式可选、直插和引线两种电机结构选择。
技术参数
| 型号MV6M- | 08A |
| 电机框号 | 80 |
| 额定功率(W) | 750 |
| 额定电压(V) | 220V |
| 额定电流(Arms) | 4.4 |
| 更大电流(Arms) | 16.9 |
| 额定转矩*1 (N‧m) | 2.39 |
| 更大转矩 (N‧m) | 8.37 |
| 额定转速(rpm) | 3000 |
| 更高转速 (rpm) | 6000(光编)5000(磁编) |
| 力矩系数(N‧m/A) | 0.584 |
| 反电势系数(10-3V/krpm) | 35.3 |
| 电阻(20°C) (Ω) | 0.946 |
| 电感(20°C) (mH) | 4.44 |
| 转子极数 | 10 |
| 转子转动惯量(10-4Kg‧m2) | 1.58(1.62) |
| 容许负载转动惯量 | 12倍以下 |
| 电气时间常数(ms) | 3.76 |
| 机械时间常数(ms) | 0.72 (0.73) |
| 重量(kg) | 2.2 (3.0) |
| 防护结构*2 | 全封闭自冷IP65/IP67 |
| 散热片尺寸(mm) | 250×300×15 |
( )内为带保持制动器的伺服电机参数值。
额定转矩表示安装在表中所示尺寸的铝制散热片上且环境温度为40℃时的连续容许转矩值。
轴贯通部分除外。仅使用专用电缆时,满足保护结构规格。
转速特性曲线
MV6M-08AA、08AB MV6M-08AM、08AN

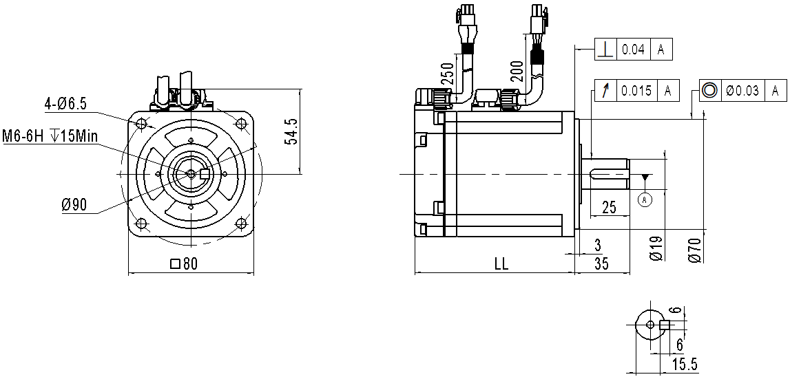
80系列伺服电机安装尺寸

| 电机型号 | LL |
| MV6M-08A□□□ | 99.1(131.6) |
( )内为抱闸机型

220V电机参数/380V电机参数
*1.额定转矩表示安装在表中所示尺寸的铝制散热片上且环境温度为40℃时的连续容许转矩值。
*2.轴贯通部分除外。仅使用专用电缆时,满足保护结构规格。
*3.使用带保持制动器的伺服电机时,请注意以下几点。
·无法将保持制动器用于制动。
·保持制动器打开时间和动作时间因放电回路而异。使用时,请务必通过实际产品确认动作延迟时间。
·DC24V电源请用户自备
东莞市欣达工业自动化有限公司从事研发、生产和销售变距滑台、变距模组、刀片气缸、一体式微型滑台真空气缸、旋转真空气缸、无牙螺母、无牙螺杆、光杆排线器、进口精密光杆、T型丝杆及精密模具配件的生产企业, 欢迎广大新老客户来电咨询,联系电话:13686286625。


<
客服1